16 - ANATOMIE
#16 - Anatomie
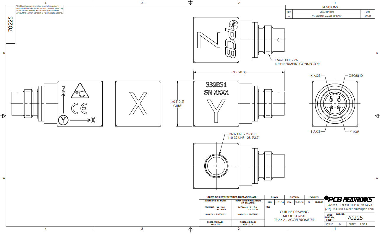
Prendiamo in esempio il modello prodotto da PCB, accelerometro tri-assiale. Lo scopo è quello di poter osservare tutte le parti dello strumento analizzando il disegno tecnico e una vista complessiva del dispositivo. Studiamo quindi l'anatomia dell'accelerometro.
In particolare vediamo il PCB MODEL 339B31
Esempi di viste esplose sono:




Commenti
Posta un commento